Interruptor de interrupción de carga 11KV-33kV LBS de vacío exterior
Obtener el último precio| Cantidad de pedido mínima: | 1 |
| Cantidad de pedido mínima: | 1 |
The file is encrypted. Please fill in the following information to continue accessing it
Somos una fábrica especializada en un interruptor de circuito de 10kV a 40kV, con más de 20 años de experiencia en la industria de la electricidad. Nuestros productos atienden a una amplia gama de aplicaciones, transmisión de energía, red de distribución, sistema de energía industrial, integración de energía renovable, infraestructura y transporte.
Ya sea que se trate de un interruptor de circuito de vacío interior, un interruptor de interrupción de carga interior, un reclamador automático al aire libre, un interruptor de interrupción de carga al aire libre o sus componentes, somos capaces de ofrecer soluciones de producción personalizadas alineadas con los requisitos específicos de los clientes.
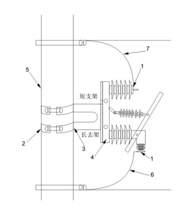
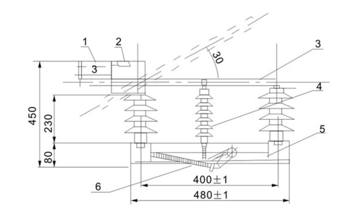
Introducción de nuestro interruptor de interrupción de carga de vacío al aire libre de primera línea, diseñado para su uso en entornos al aire libre con voltajes que varían de 11kV a 33kV. Este interruptor de vacío al aire libre de 33kV está construido para soportar condiciones climáticas duras y proporcionar un rendimiento confiable en aplicaciones críticas de distribución de energía.
Características clave:
Ya sea que necesite cambiar de carga en una subestación, una red de distribución o una instalación industrial, nuestro interruptor de interrupción de carga al aire libre es la opción ideal. Sus características avanzadas y su construcción robusta aseguran un rendimiento y seguridad a largo plazo.
Escenarios de uso:
Los usuarios han elogiado el interruptor de interrupción de carga de vacío al aire libre por su durabilidad, confiabilidad y facilidad de uso. Aprecian la tranquilidad que conlleva conocer sus sistemas críticos de distribución de energía está protegido por un interruptor de alta calidad.
Preguntas comunes:













Privacy statement: Your privacy is very important to Us. Our company promises not to disclose your personal information to any external company with out your explicit permission.
Fill in more information so that we can get in touch with you faster
Privacy statement: Your privacy is very important to Us. Our company promises not to disclose your personal information to any external company with out your explicit permission.